- 集團網站
- 選擇區域/語言
登錄
1、高精密蝸輪蝸桿和步進電機觸動方式結合,斷電自鎖,抗風性強,高穩定性
2、支持多款鏡頭預置位功能,變倍自適應,旋轉速度可以根據鏡頭變倍,倍數自動調整。
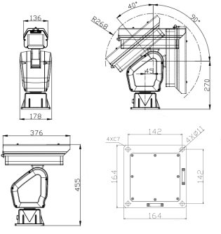
3、蝸輪蝸桿大傳動設計,水平轉速可達 100°/s。重復定位精度高,可達± 0.1° 。最大承載10kg。
4、全天候防護設計,IP66防護等級。
5、采用 H.265 視頻壓縮算法,壓縮比高,圖像質量好,200 萬像素,支持 1920×1080分辨率
焦7、距 f=5.4~108mm,20倍光學變倍,16倍數字變倍
APG-PT-5D220-H |
可見光成像 |
圖像傳感器 |
1/3" Progressive Scan CMOS |
有效像素 |
200萬像素 |
|
最低照度 |
彩色:0.01Lux @ (F1.5,AGC ON) |
|
黑白:0.005Lux @(F1.5,AGC ON) |
||
白平衡 |
自動 / 手動 / 自動跟蹤白平衡 /室外/室內/日光燈白平衡/鈉燈白平衡 |
|
增益控制 |
自動 / 手動 |
|
背光補償 |
支持 |
|
日夜模式 |
自動ICR濾光片彩轉黑 |
|
數字變倍 |
16倍 |
|
透霧 |
支持 |
|
焦距 |
5.4-108mm,20 倍光學 |
|
光圈數 |
F1.5-F2.7 |
|
視頻壓縮 |
H.264/H.265 |
|
速度自適應 |
支持 |
|
防護罩 |
視窗 |
一體化視窗設計,紅外高效增透光學玻璃,透過率>98% |
雨刷 |
支持(選配W) |
|
自動溫控范圍 |
內置加熱、制冷等溫控元件, |
|
加熱開:8°±5° 關:20°±5°(風扇同時運轉) |
||
風扇開:37°±5°關:20°±5° |
||
云臺功能 |
承載 |
大于10kg |
垂直范圍 |
+40°~-90° |
|
水平范圍 |
水平360° 連續旋轉, |
|
水平速度 |
0.01~100°/S |
|
垂直速度 |
0.01~40°/S |
|
預置點個數 |
200個 |
|
巡航掃描 |
支持 |
|
掃描模式 |
巡航掃描/自動掃描 |
|
零點校正 |
具有 |
|
網絡和通信功能 |
網絡協議 |
TCP/IP,ICMP,HTTP,HTTPS,FTP,DHCP,DNS,DDNS,RTP,RTSP,RTCP,PPPoE,NTP,UPnP,SMTP,SNMP,IGMP,802.1X,QoS,IPv4/IPV6等多種網絡協議 |
用戶管理 |
支持三級用戶權限管理,支持授權的用戶和密碼,支持HTTP S加密和IEEE802.1x網絡訪問控制、IP地址過濾 |
|
RS485控制接口 |
支持自適應Pelco-P、Pelco-D等協議,波特率2400、4800、9600、19200可選 |
|
應用編程接口 |
支持軟件集成的開發式API,支持ONVIF2.0、GB28181協議,支持SDK和第三方平臺接入 |
|
本地存儲 |
內置128G Micro SD卡槽,可支持手動、報警錄像 |
|
系統參數 |
供電 |
AC24V±25%,50/60Hz;DC24V±10%,80W;整機運動時功耗≤90W |
接口 |
1路10M/100M自適應以太網口,1路AC24V/DC24V,(可選) |
|
預留RS422/485和模擬視頻 |
||
環境指標 |
工作溫度:-40℃~+65℃, |
|
濕度:<90%RH, |
||
抗震:0.2g(符合GB/T15211—2013中5.4嚴酷等級2的規定) |
||
抗沖擊:15g(符合GB/T15211—2013中5.3嚴酷等級3的規定) |
||
防雷擊浪涌:符合GB/T17626.5四級標準,電源6000V,通訊視頻信號2000V |
||
防鹽霧:在PH值6.5~7.2,連續噴霧48小時,表面無變化 |
||
防護等級:IP66 |
||
整機重量 |
≤12kg |
